【成果简介】
与国际顶尖技术水平相比,我国尚无百万吨级燃煤电厂CO2捕集示范工程,在大规模系统工艺和系统设计优化方面尚缺乏经验。工艺和系统设计是碳捕集吸收剂性能发挥的基础。在国家发改委揭榜挂帅项目的支持下,华能集团开展百万吨级CO2捕集工艺与碳捕集发电系统集成研究,结合溶剂设计和吸收解吸特性的研究,探索可最大限度发挥溶剂性能的节能工艺。在捕集工艺的设计基础上,研究捕集与发电系统集成的方法,为未来火电机组的碳捕集系统改造提供技术支撑。本技术产品“先进碳捕集工艺及系统集成设计”,为可满足燃煤电厂150万吨/年碳捕集规模的工艺优化和系统集成方案,实现我国碳捕集发电系统设计关键技术自主可控,相关技术水平达到国际领先,填补国内在该技术领域的空白。
【主要指标】
(一)CO2再生热耗:≤2.3GJ/tCO2
(二)碳捕集电耗:≤70kWh/tCO2
(三)CO2捕集率:≥90%
(四)CO2纯度:≥99.5%
【应用推广需求】
(一)应用推广方式:销售、合作实施
(二)应用推广领域:本技术可广泛应用于燃煤电厂烟气或工业尾气的CO2捕集分离,以减少化石燃料CO2排放量,包括电力、水泥、化工、钢铁、石油开采、供热、交通等行业。
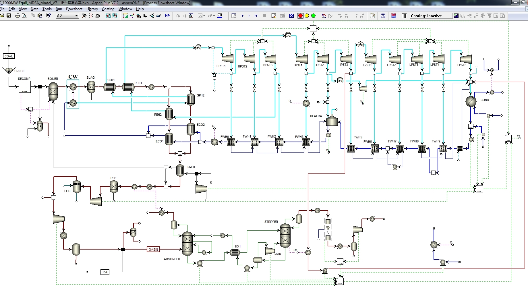
【成果图片】

图1.正宁电厂百万吨碳捕集项目-捕集区效果图

图2.碳捕集发电系统集成图
【联系人】
集团联系人:张齐齐,010-63228450,qiqi_z@chng.com.cn
成果联系人:郭东方,15120000255,df_guo@qny.chng.com.cn

